產品分類
產品目錄 PDF
影片
項目記錄
聯絡我們
歡迎光臨保固五金建材有限公司網站
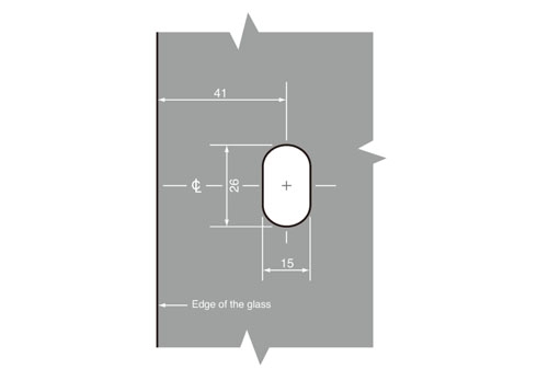
GHQ-01F(90°)
列印商品資訊
表面处理:
F13, F21, F22
清晰图像
Copyright © 2011 Bonco Ironmongery Limited, All Right Reserved.