Tchinese English
產品分類

產品目錄 PDF

影片

項目記錄

聯絡我們

歡迎光臨保固五金建材有限公司網站

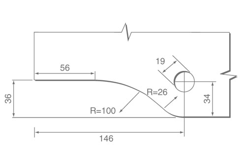
PF-101-C-N
 列印商品資訊  




door_1_ga4.jpg

inserts_Chi.jpg

表面处理:
F13, F24, F25

132425finish_Chi.jpg

download 清晰图像




   


Copyright © 2011 Bonco Ironmongery Limited, All Right Reserved.