產品分類
產品目錄 PDF
影片
項目記錄
聯絡我們
歡迎光臨保固五金建材有限公司網站
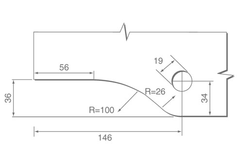
PF-101-C-N
列印商品資訊
表面处理:
F13, F24, F25
清晰图像
Copyright © 2011 Bonco Ironmongery Limited, All Right Reserved.