Tchinese English
Categories

Catalogue PDF

Video

Performance

Contact us

Welcome to Bonco Ironmongery Limited Official Website

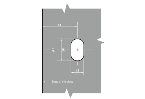
GHQ-01F(90°)
 Print product data sheet  




Standard Finishes:
F13, F21, F22

11handle_finish_Eng.jpg

download Hi-Res Images




   


Copyright © 2011 Bonco Ironmongery Limited, All Right Reserved.