Tchinese English
Categories

Catalogue PDF

Video

Performance

Contact us

Welcome to Bonco Ironmongery Limited Official Website

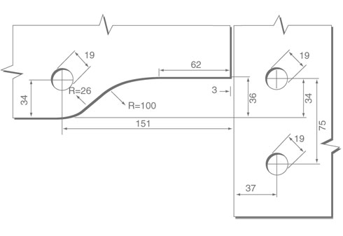
PF-103-B
 Print product data sheet  




door_2_ga5.jpg

Standard Finishes:
F13, F24, F25

132425finish_Eng.jpg

download Hi-Res Images




   


Copyright © 2011 Bonco Ironmongery Limited, All Right Reserved.